联系热线






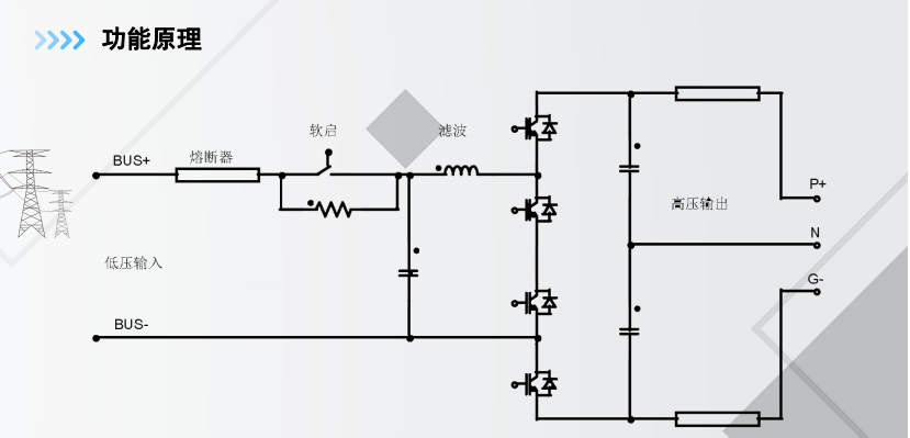
储能双向DC/DC变换器,基于三电平拓扑结构,可实现从直流到直流的双向转换。具有双向宽电压范围、双向电压电流有源控制、功率密度高、自然散热等优点。双向直流变换器是实现直流电能双向流动的装置,主要应用于光伏、混合动力汽车、直流不间断供电系统、新能源、汽车电机、电控测试、动力电池组充放电测试、电力电子测试等领域。


(1)恒压充、放电机转换,恒功率充、放电及转换等;
(2)电池侧和直流母线侧双向升降压;l 兼容多种不同配置和型号的蓄电池;
(3)电池侧接光伏电池板时具备MPPT功能;
(4)多台变流器并联运行控制功能(主从控制,下垂控制);
(5)双向直流变换器具有直流过压、欠压保护、过流保护、输入反接保护、交流欠压、过压保护、过载保护、过热保护、
(6)双向直流变换器运行状态可视化程度高。触摸屏作为人机界面。通过触摸操作,可清晰显示实时各项运行数据,实时故障数据,历史故障数据等。
(7)双向直流变换器具有输入手动分断开关,紧急停机操作开关;
主要技术参数


